
一、產品簡介
BYNJ全自動絕緣油介電度強度測試儀是依據國際IEC-156和國標GB507-86《絕緣油介電強度測定法》的要求,同廣大使用者的反饋意見,開發的全自動化儀器。
本儀器選用單片機為主導,先設定后開機測試的方法,全部過程由微機自動運行控制,操作簡單,方便適用。
二、用途與特點
本儀器適合測試各種絕緣油介電強度。其主要性能特點
1.本儀器設有自動檢測功能,如開機自動進入復位狀態執行調壓器回零。
2.采用了微型面板式打印機,自動打印輸出。
3.根據用戶需求可改變測試次數、攪拌靜置時間、聲控光控提醒連續打印與非打印。
4.本儀器采用全自動磁振子攪拌,消除油樣的不均勻和氣泡。
三、技術規格
工作電源:AC220V ±10%、50HZ ±5%
測量范圍:AC 0-80KV
限定電流:5mA
測量精度:3%
調壓速度:2KV/S±10%
預定設置:次數1-9
攪拌時間 0-1分39秒
靜置時間 0-10分39秒
使用條件:環境溫度0℃-35℃
相對濕度≤75%
油杯間隙:2.5mm(油杯塞尺直徑)
體 積:415×315×315mm3
重 量:28kg
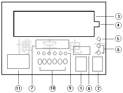
四、面板說明

圖一 面板示意圖
| ①電源開關 | ②電源插座 | ③高壓艙 | ④安全開關 |
| ⑤安全接地 | ⑥3A保險 | ⑦顯示屏 | ⑧設置盤 |
| ⑨指示燈 | ⑩鍵盤 | ⑪打印機 |
五、操作步驟
1.輸入電源
連接安全接地,插入220V交流電源,檢測電源正確無誤。
2.取油樣
2.1將油杯兩電極間距調整在2.5mm ;逆時針旋下油杯軸桿一端的塞尺棒,將另一端電極調整在偏中位置,將鎖住此軸桿螺釘旋緊,取塞尺棒于兩電極間靠緊兩電極,鎖住螺釘取出塞尺,順時針旋于原軸桿內,如圖二。
2.2將油杯處理干凈,置干凈的磁振子于油杯內,注滿準備好的油樣,取下高壓罩置油杯于高壓艙兩高壓柱間,平穩放置蓋上高壓罩壓好安全開關。

圖二 高壓艙內布置圖
| ①高壓艙 | ②高壓柱 | ③軸桿 | ④電極 |
| ⑤塞尺 | ⑥油杯 | ⑦軸桿固定螺絲 | ⑧磁振子 |
3.預定設置
3.1設定值共有6位預選盤如圖三:

圖三 設置盤
①表示次數設定,按“+”“-”號可從1-9 位數選取您所需測試的次數。
②③表示攪拌時間設定,②表示十位③表示個位,1分39秒表示數為99即60秒+39秒。
④⑤⑥表示靜置時間設定,④表示“分”個位 ⑤表示“秒”十位⑥表示“秒”的個位,10分39秒表示數為999 即9分+60秒+39秒。
4.功能鍵操作
功能鍵共有6個,屬點動鍵,按一下便可回應工作。如圖四。
圖四 功能鍵
4.1待測試時按“測值”鍵,攪拌、靜置、升壓、打印各功能會按定的數值順序而行。
4.2在升壓過程中按“停止”鍵,就會停止升壓,數碼顯示上的數值就是此時高壓端的輸出的高壓值。
4.3第一次升壓油樣擊穿后,聲控提醒連續“嘀”一短聲20秒,第二次后“嘀”二短聲,第六次“嘀”,一長聲一短聲,第七次“嘀”一長聲二短聲,待平均值顯示完后“嘀”不間斷響20秒,如果不用聲控提醒,按一下聲控鍵就進入光控提醒,光控指示燈亮,閃亮次數同“嘀”響聲次數一樣,再按聲控鍵無效,保持光控不變,需再次打開電源時聲控有效。
4.4測試完后,如想再查看數據時,按“顯示”“打印”鍵,此兩鍵屬重復使用鍵,按“顯示”鍵一次顯示一次測試值,直到顯示平均值,重復顯示完畢。按“打印”鍵時,重復打印電壓值時間不在打印。
4.5當按動“復位”鍵時,顯示為 OCPU 英文字樣表示為復位到位后初始等待狀態,簡稱初態或OCPU狀態,與在測試升壓過程中按“復位”鍵,將不進入初態,同油樣擊穿時的情況一樣,繼續運行不改變原運行狀態,如連續再按“復位”鍵此時確認為“復位”轉而進入初態。
5.開機等待
置電源開關于“ON”,本機進入自檢狀態,打印機回應指示燈亮,顯示屏顯示OCPU字樣,如調壓器不在零位,顯示DIJJ字樣此表示復位過程,下降指示燈亮,下降到零位后顯示為OCPU初始等待態。
6.測值
點動“測值”鍵,開始按照預先設定的數值運行;攪拌指示燈亮磁振子快速旋轉,顯示屏第一位數碼顯示第一次次數,后三位顯示攪拌時間;攪拌完畢,振子停止攪拌指示燈滅,靜置指示燈亮開始靜置,指示燈滅后,合閘、升壓指示燈亮,進入顯示同步升壓,此時顯示屏后三位數碼顯示為電壓(00.0KV)待油樣擊穿后,升壓電源自動分閘,顯示屏停止顯示5秒,打印機打印時間、電壓值;調壓器下,降下降指示燈亮,攪拌指示燈亮第二次測試開始,同時打印、顯示屏顯示擊穿電壓,顯示次數值閃爍,聲控提醒;調壓器回零后,下降指示燈滅、顯示停止閃爍、聲控消失,接著第二次測試;所有測試次數運行完畢后,顯示屏顯示總次數的平均值,用英文字母表示(A、B、C、D、E、F、G、H、y)如僅測試一次顯示為A24.3KV,如測試六次顯示為F24.3KV;然后打印電壓平均值,油樣測試完畢,此時可重復顯示、打印,按復位鍵后,所有數據消失。
在OPCU狀態下取出油樣,便可更換新油樣再次試驗,測試完畢在復位狀態下OFF位置關上電源。
測試時指示燈運行過程如圖五:

攪拌時間內,攪拌指示燈亮

靜置時間內,靜置指示燈

升壓過程中,上升、合閘指示燈亮

油樣激穿后,調壓器回零,下降指示燈亮
同時下一次攪拌時間開始,攪拌指示燈亮

油樣激穿后,可以選擇光控,光控指示燈亮
六、安全注意事項
1.因本儀器是絕緣油介電強度專用測試設備,不可另作它用,非專業維修人員使用者不得隨意開箱。
2.使用時安全接地與機箱外殼,應良好接地。
3.在升壓過程中,不得隨便接觸本儀器,以免發生高壓危險。
4.本儀器的專用油杯,不得隨意作高溫烘干處理。
七、維護與保養
1.測試完后用油清洗油杯,用柔軟的麂皮或綢布擦凈電極表面保持光潔,注滿清潔干燥的油保護油杯。
2.使用或存放本儀器應在干燥、通風安全的地方。

